Amateur Radio (G3TXQ) - Cub II
Amateur radio enthusiasts may be interested in my home-designed and built low-power transceiver which covers all bands from 160m thru 10m. It uses the plug-in band modules from the commercially produced Ten Tec Scout transceiver; being a smaller version, mine is called the "Cub"! The Mk I version was CW only and featured in the GQRP Club's SPRAT magazine; the Mk II version has both CW and SSB capability. Pictured alongside the Cub is a matching Antenna Tuning Unit and SWR meter.
A brief specification is:
- Size: 6" x 7" x 2.75" (width x depth x height)
- Modes: SSB and CW
- Power consumption: Rx - 100mA, Tx - 1A from 13.8v supply
- RIT: +/- 1kHz
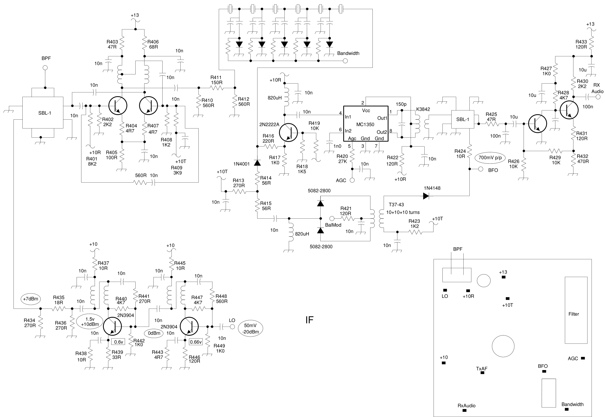
- Rx bandwidths: switchable 2kHz / 500Hz using 6 pole crystal ladder filter
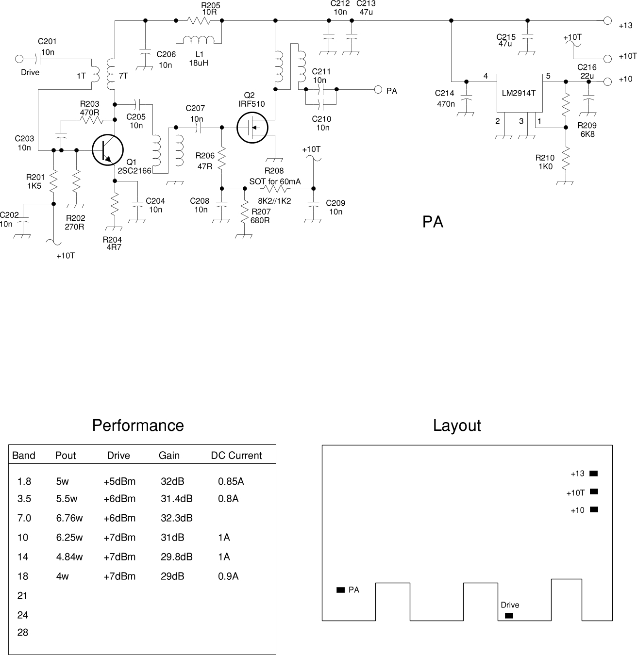
- Power Output: 5W from IRF510
- Other features:
- SBL-1 mixer (no pre-amp),audio-derived agc
- CW "spot" feature
- variable transmit power 500mW - 5W
- Rx attenuator 10dB
- transmit alc control
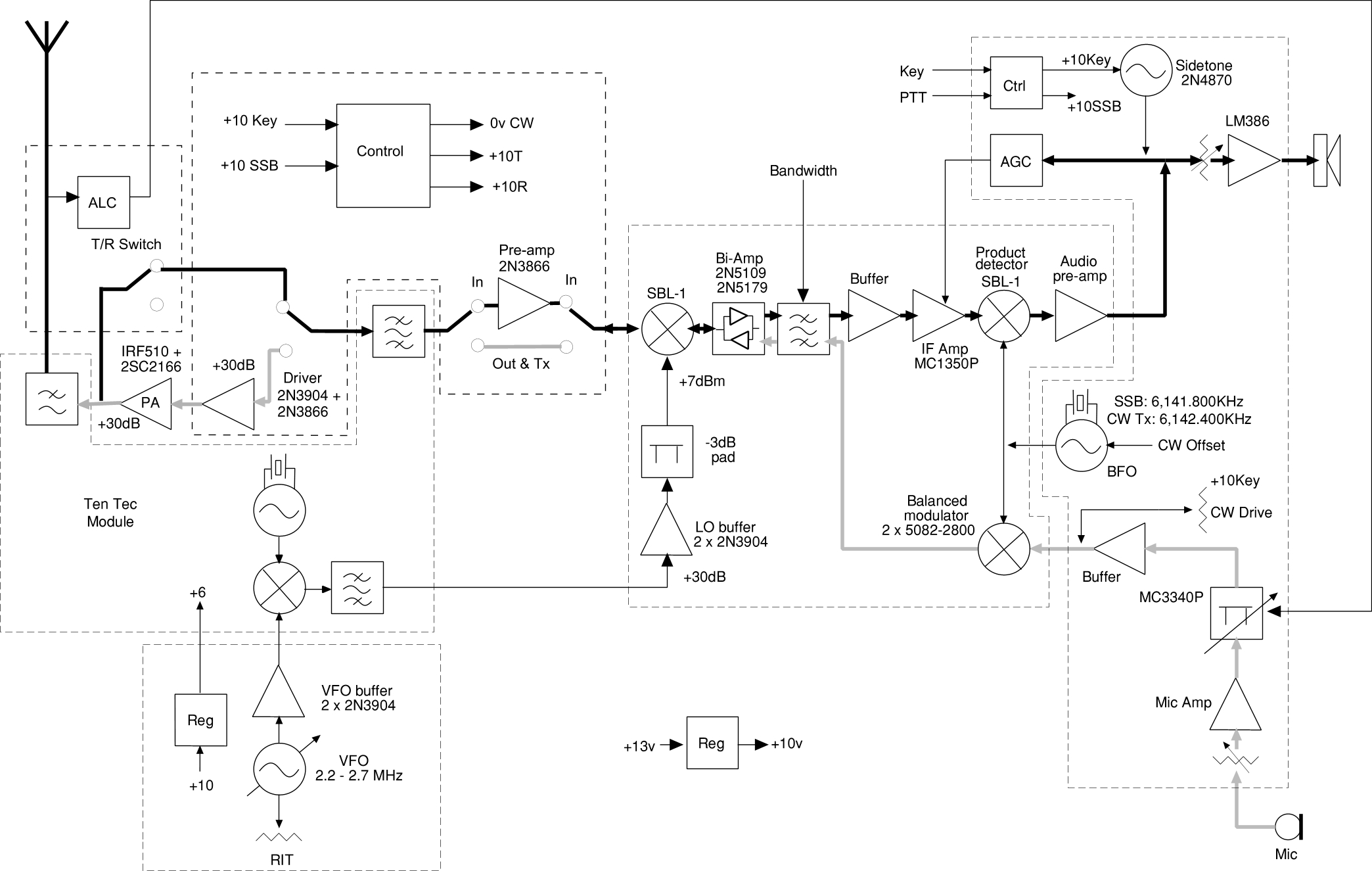
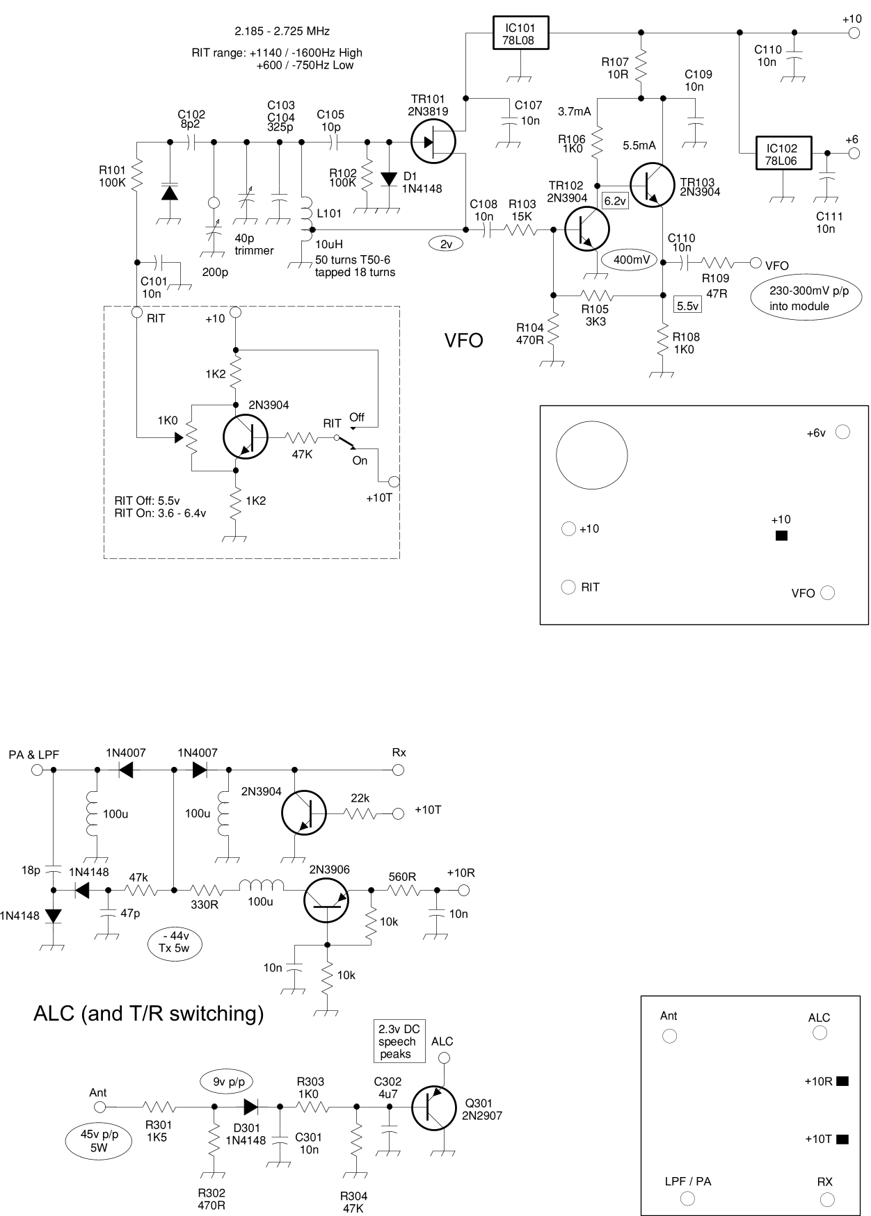
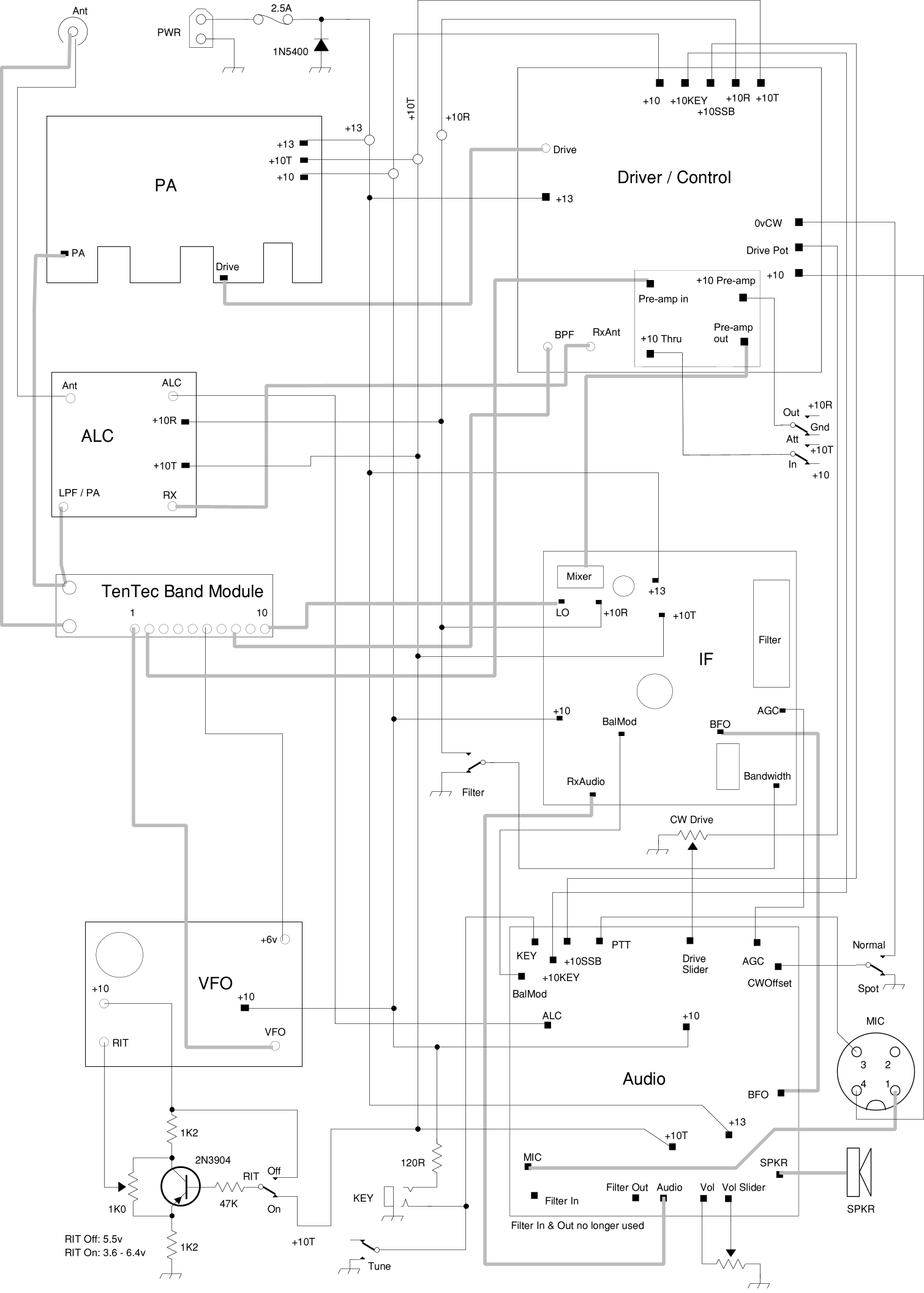
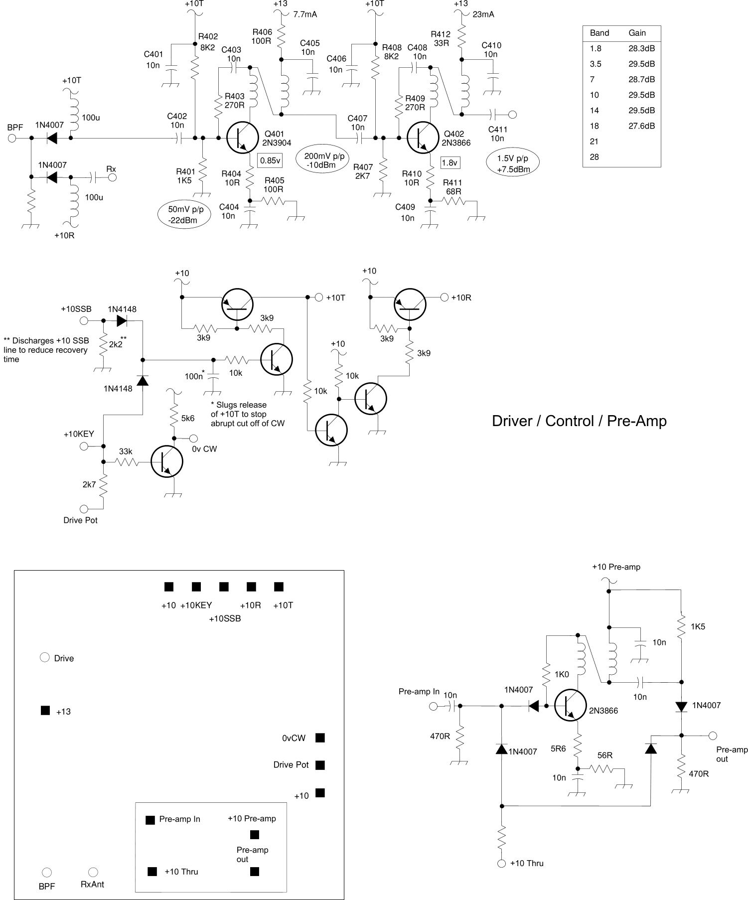
A block diagram of the transceiver, circuit diagrams of each board and the ATU, and a board interconnection diagram are available here as .jpg files:
- Block diagram
- IF Board
- Driver board
- Filter
- VFO
- Power Amplifier
- BFO
- Board interconnection
- ATU and keyer
Notes on the diagrams:
These drawings show schematics, and the positions of the terminals on my “ugly” style boards - I have not laid out printed circuit boards! The drawings are very much the record of my experiments and measurements; they were never meant as instructions for others, but experienced constructors should be able to understand most of the design. You may find your way around the schematics more easily if you look at the block diagram first, followed by the chassis wiring diagram.
On schematics, numbers in rectangular boxes represent DC voltages; numbers in oval boxes represent AC voltages. Dotted lines on the block diagram show how I grouped functions on individual “ugly” boards. Circuitry is based closely on the Index Labs QRP transceiver, with the exception of the Local Oscillator generation, the BFO and the IF frequency. I no longer use the audio CW filter; I prefer the switched crystal filter arrangement shown. VFO covers about 2.185 MHz to 2.725 MHz. BFO is 6,141.800KHz on Rx and SSB Tx; 6,142.400KHz on CW Tx.